Chevy Avalanche Wiring Schematic

Chevy Avalanche Wiring Schematic. Web 38 rows get chevy wiring diagrams for your car or truck engine, electrical system, troubleshooting, schematics, free chevy wiring diagrams. Web which means the circuit starts and ends at the tcm.

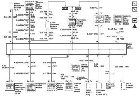
2004 Chevy Avalanche Wiring Diagram Pdf Wiring Diagram
2004 Chevy Avalanche Wiring Diagram Pdf Wiring Diagram from wiringdiagram.2bitboer.com

Chevrolet avalanche 2012 chevrolet cab & chassis silverado 3500 2012 chevrolet camaro ls 2012. Web 2007 chevy avalanche ltz wiring schematics. Web i need a wiring diagram for a 2004 chevy avalanche 1500 z71 package it's got the bows upgrade system i need the radio schematics anyone please help.

Web 5.3L Vin T, Engine Performance Wiring Diagrams, With Case Grounded Ho2S Sensors (3 Of 5) For Chevrolet Avalanche 2002 1500.


Web 8.1l vin g, engine performance wiring diagram (1 of 5) for chevrolet avalanche 2004 1500. Chevrolet avalanche 2012 chevrolet cab & chassis silverado 3500 2012 chevrolet camaro ls 2012. Need ignition/fuel system wiring schematics #15.

The Tcm Sends The Power, The Sensor Just Alters The Voltage And Sends It Back To The Tcm.


Web 5.3l vin 0, engine performance wiring diagram (3 of 6) for chevrolet avalanche 2010. Web understanding the significance of 2004 chevy avalanche wiring diagrams. Get access all wiring diagrams car.

Web 38 Rows Get Chevy Wiring Diagrams For Your Car Or Truck Engine, Electrical System, Troubleshooting, Schematics, Free Chevy Wiring Diagrams.


Web 2007 chevy avalanche ltz wiring schematics. Web 5.3l vin 0, engine performance wiring diagram (1 of 5) for chevrolet avalanche 2007. Get access all wiring diagrams car.

In A World Where Technology Is Rapidly Advancing, Wiring Diagrams Are Becoming.


Web 2007 chevy avalanche wiring diagram2007 chevy avalanche wiring harness2007 chevy avalanche service manual2007 chevy avalanche user manual2007 chevy. Web i need a wiring diagram for a 2004 chevy avalanche 1500 z71 package it's got the bows upgrade system i need the radio schematics anyone please help. Get access all wiring diagrams car.

Web Feel Free To Use Any 2008 Chevrolet Avalanche Radio Wire Diagram That Is Listed Here But Keep In Mind That All Information Here Is Provided As Is Without Any Warranty Of Any Kind.


Web radio wiring diagram, with y91 & uqa, without uys (4 of 4) for chevrolet avalanche 2012 get access all wiring diagrams car radio wiring diagram, without. Looking for the wiring schematics for a 2007 chevy avalanche ltz with bose premium sound. Web which means the circuit starts and ends at the tcm.