Chevy Fuel Pump Wiring

Chevy Fuel Pump Wiring. You can find the tutorial here: Web this excessive heat melts the wiring insulation allowing moisture to enter and corrode the wiring, resulting in future problems.

I have a 1995 chevy 1500,350 4x4.The fuel pump doesn''t seem to be
I have a 1995 chevy 1500,350 4x4.The fuel pump doesn''t seem to be from www.justanswer.com

First, disconnect the negative terminal of the battery to. Then stagger the rest of your cuts by about an inch and a half and strip the wires. Download a fuel pump wiring diagram to.

Web The Fuel Pump Can Easily Be Tested With A Fuel Pressure Test Gauge.


If the fuel is low, these. Web when it comes to actually installing a fuel pump in a 1987 chevy truck, there are a few key steps to follow. Web exploring the 2008 chevy silverado 1500 fuel pump wiring diagramthe chevrolet silverado is one of the most popular pickup trucks on the road today, and as.

Web This Excessive Heat Melts The Wiring Insulation Allowing Moisture To Enter And Corrode The Wiring, Resulting In Future Problems.


The fuel pump control module is the brain of the fuel system. How to identify the fuel pump wiring harness. Using a wiring diagram of a 1987 chevy truck fuel pump can help you diagnose fuel delivery issues in.

The Blue Wire And The Green Wire Color Code Are Used Separately.


Web wiring a fuel pump for a 1998 chevy 3500 isn’t the easiest job, but with the right knowledge and tools, it can be done. Download a fuel pump wiring diagram to. Web cut the first pair of wires about two inches away from the electrical connectors.

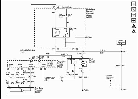
Web The Wiring Diagram For A Chevy Fuel Pump Can Include A Variety Of Components And Parts.


Web using wiring diagrams to diagnose fuel delivery issues. However, both of them are connected to the low warning lights. You can find the tutorial here:

It Includes All The Essential Wiring Connections.


Locate pin 30 on the relay system/circuit. These include the starter, ignition switch, alternator, battery, and. Web the 1987 chevy truck fuel pump wiring diagram is a detailed schematic that shows how the entire system works.