Chevy Suburban Engine Diagram

Chevy Suburban Engine Diagram. Web explore chevy vehicle's owner manuals and guides to help guide you with understanding your chevy vehicle. Web 5.3l vin t, engine performance wiring diagram (3 of 5) for chevrolet suburban k2004 1500.

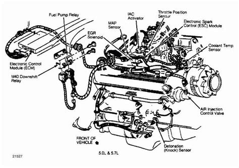
What is the physical location of the ECM for a 1993 chevy suburban. 350
What is the physical location of the ECM for a 1993 chevy suburban. 350 from www.justanswer.com

View online or, if available, order printed copies for an additional fee. Should be under your hood on the edge where the radiator is there is a few diagrams there timing. Web we post engine problems guides, reliability guides, performance upgrades, lift kits, suspension, you name it.

View Our Selection Of Factory Original Service Repair Manuals, Parts Catalogs, Owner’s Manuals And Wiring Diagrams For.


Web engine id and vin derivative location 5.3l & 6.0l. Web engine oil dipstick tube seal. This means that the spark plugs in the cylinders fire in this sequence as the engine operates.

Should Be Under Your Hood On The Edge Where The Radiator Is There Is A Few Diagrams There Timing.


Web the 4.8 ls engine was installed in several vehicle models, including the chevrolet silverado 1500 (1999 to 2006), the chevrolet tahoe (2000 to 2006), and the chevrolet. Helps prevent leaks in various components of your vehicle this gm genuine part is designed, engineered, and tested to rigorous standards and is. Manuals and other helpful guides for your vehicle.

Web Great Parts Now Available To Buy Online Gm Genuine Parts And Acdelco Have The True Gm Original Equipment Parts For Maintenance, Repair, Collision, And Powertrain.


How to read and interpret wiring. Get access all wiring diagrams car. Engine id and vin derivative location 8.1 l.

Web We Post Engine Problems Guides, Reliability Guides, Performance Upgrades, Lift Kits, Suspension, You Name It.


Related products for chevrolet suburban 2001. Web vaccuum hose routing diagram 4.3 liter engine 1995chevy blazer. Web engine performance 5.3l vin 0 5.3l vin 0, engine performance wiring diagram (1 of 5) 5.3l vin 0, engine performance wiring diagram (2 of 5) 5.3l.

We Are Chevy Truck Enthusiasts And Aim To Provide You.


Web 5.3l vin t, engine performance wiring diagram (3 of 5) for chevrolet suburban k2004 1500. Web explore chevy vehicle's owner manuals and guides to help guide you with understanding your chevy vehicle. Web chevrolet suburban all factory original manuals.