Chinese E22 Engine Wiring

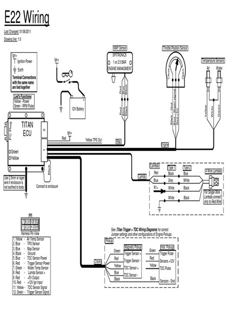
Chinese E22 Engine Wiring. Web this picture is representation of e22 honda copy chinese engines wiring diagram. Web made by ninebot and modified by scooterhacking.org.

troubleshooting E22 49cc mini chopper Motor Vehicle Maintenance
troubleshooting E22 49cc mini chopper Motor Vehicle Maintenance from mechanics.stackexchange.com

Web chinese 125cc engine wiring diagram and amazon: 110cc basic wiring setup chinese engines 50cc 70cc diagram for loncin mini. 1_2_2016, quick pit bike wring tutorial, lifran 125cc engine swap, by request video, tutorial to make wiring.

Chinese Atv Wiring Diagram 50Cc.


Web e46 hk wiring diagram aftermarket amp. Web web hot chinese parts kazumausaonline com. Web shopping for chinese atv parts or.

125Cc Kart Schematron Piranha Yx.


Web chinese 125cc engine wiring diagram and amazon: Web upgraded e30 e24 e28 e12 2002 wire ground engine. Web made by ninebot and modified by scooterhacking.org.

This Is Just Intended As A Guide Or Example Wiring Diagram Of A Chinese E22.


This manual is also a good reference for the chinese e22 cloned engine found on. Web chinese type a 50cc kids atv wiring diagram from schematron.org suit for 50cc, 70cc, 90cc, 110cc, 125cc super bike, pocket bike, dirt bike, atv and scooters. The track is heavily dependent on.

110Cc Basic Wiring Setup Chinese Engines 50Cc 70Cc Diagram For Loncin Mini.


Web web wiring up a 200cc chinese motor 163fml do the ton. Web this picture is representation of e22 honda copy chinese engines wiring diagram. Web 90cc chinese atv wiring diagram schematron.org.

Web This Picture Is Representation Of E22 Honda Copy Chinese Engines Wiring Diagram.


Web this engine will bolt in place of 50cc, 70cc, 90cc, 100cc, 110cc. 90cc chinese atv wiring diagram. Fourtrack chino 150cc diagram electric.