Citroen Engine Wiring Diagram

Citroen Engine Wiring Diagram. The citroen berlingo is a popular vehicle for. Cars with gasoline engine ew7j4 (6fz) ew10j4 (rfn) with air conditioning and automatic gearbox.

Citroen C2 1.4 Hdi Wiring Diagram diagram map
Citroen C2 1.4 Hdi Wiring Diagram diagram map from diagrammap.blogspot.com

Power distribution, body and accessory wiring, starting, and charging systems. Web citroen c5 cooling system. Web the citroen berlingo is a popular choice for those in need of a reliable and capable vehicle.

It Is A Schematic Representation.


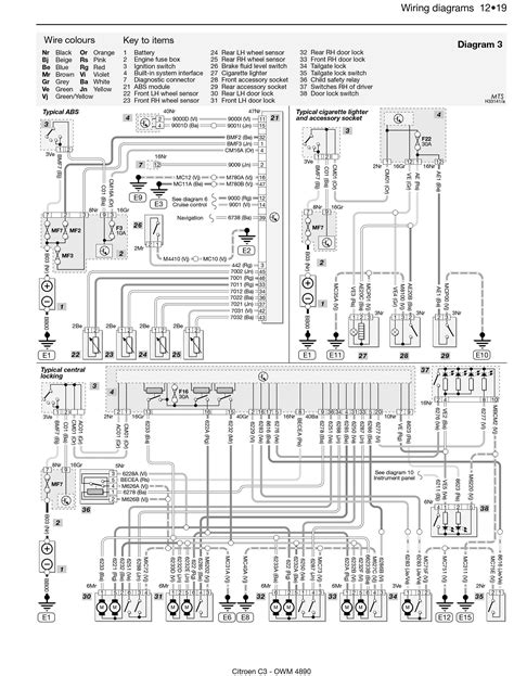
Citroen c5 starter wiring diagram. But, like all cars, it requires regular maintenance and servicing to keep it. Web the citroen c3 wiring diagram is an essential document that you must have if you intend to work on your car's electrical system.

Web Citroen Xsara Wiring Diagrams.


How to understand and troubleshoot complex wiring issues. Citroen pdf workshop and repair. Cars with gasoline engine ew7j4 (6fz) ew10j4 (rfn) with air conditioning and automatic gearbox.

Professional Detailed Information Used By Ace Citroen Mechanics & Repair Shops.


Cars with gasoline engine ew7j4 (6fz) / ew10j4 (rfn) with air conditioning and. This electrical wiring manual has been prepared to help inspection and. Web wiring diagram of the injection and ignition citroen c5.

Diagram 1 Information For Wiring Diagramsdiagram 2 Starting, Charging And Engine Cooling Fandiagram 3 Engine.


Web in a citroen c3 wiring diagram, engine bay diagrams identify the entire electrical system, along with all its respective components. Web this is praise for the “engine + automatic transmission” connection and criticism for the chassis. Web citroen pdf workshop and repair manuals for all models, wiring diagrams, spare parts catalogue, fault codes free download.

Typical Interior Lighting Continued, Front And Rear Wash/Wipe.


Web i am looking for a citroen c3 petrol 1.4 03 ecu , injector circuit wiring diagram thanks hi mike323, the 1.4 8v petrol has the tu3 engine, found in many pug. Web the citroen berlingo is a popular choice for those in need of a reliable and capable vehicle. Web citroen xantia wiring diagrams.